Cjelovita obnova Palače Drašković

Investitor
Hrvatska Akademija znanosti i umjetnosti
Glavni projektant
Ana Alar, dipl.ing.arh.
Projektanti

Ivana Knez, doc.dr.art., dipl.ing.arh.
Željka Hitrec, dipl.ing.el.
Ana Novak, mag.ing.mech.
Nika Nevečerel, dipl.ing.stroj.
Emil Rohlik, mag.ing.arch.

Projektanti suradnici

Lora Pleskina, univ.mag.ing.arch.
Nikola Mustapić, dipl.ing.arh.
Sanja Bajer Dunatov, ing.arh.

Lokacija
Zagreb
Godina projektiranja/izvođenja
2022 - 2025
Površina

2678.30 m²

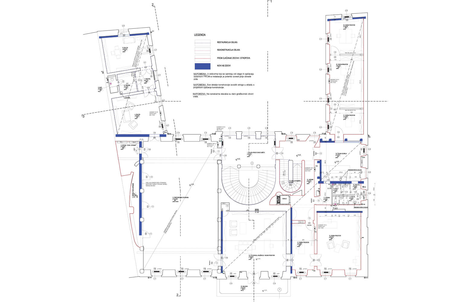
Izvorni projekt Palače Karla Draškovića pripisuje se Bartolu Felbingeru, a zgrada je sagrađena 1839. godine. Prilikom prenamjene u Narodni dom (1846.–1848., Aleksandar Brdarić), Ilirska dvorana dobila je svoj današnji oblik. Nakon potpune rekonstrukcije dvorane 1994. godine, a uslijed potresa 2020., cjelovita obnova zgrade obuhvaća ojačanje konstrukcije, adaptaciju svih prostora i instalacija te opsežne restauratorske radove s ciljem očuvanja klasicističkih obilježja i prilagodbe suvremenim znanstveno-istraživačkim potrebama.